拆了一个电瓶车防盗报警器,里面的电路设计令人大吃一惊
拆了一个电瓶车防盗报警器,里面的电路设计令人大吃一惊
前几天帮朋友给电瓶车上装了一个防盗报警器,安装好之后效果还不错。稍微碰一下车子,蜂鸣器就狂叫,而且声音很大,效果杠杠的。有时候忘了车停在哪儿了,还可以按下寻车键找车。通过启动键还可以免钥匙启动驾驶。


但是这样一个防盗报警器加两个遥控器,一套的价格才17.9元,还包邮,属实感觉有点便宜,不得不惊叹现在低端电子产品有多卷。
这里面有几个基本要实现的模块,分别如下:
1、36-60V降压到5V或者3.3V
2、蜂鸣器驱动
3、无线通信遥控
作为硬件工程师,如果拿到这样一个需求,我首先会评估一下。高压DCDC加上电感什么的,一整套下来应该需要2元左右。蜂鸣器驱动用几个三极管实现,成本应该不高,3毛以内。至于无线通信功能,做这种产品可以选择集成MCU功能的无线传输,或者说集成无线传输的MCU,国内一大堆用51内核集成蓝牙、wifi、2.4G等其他频段的无线通信的SOC芯片。所以这种应该也在1元以内可以搞定。PCB板加上SMT下来大概需要1元,外壳可能需要5毛到一块,另外,再加上两个遥控器,遥控器有外壳有板子,里面还有一个纽扣电池,一个按照2元算应该合理,这样下来这一套的成本大概需要10元,加上快递费2.5元,咦,这么一算,这玩意17.9包邮还能赚5.4元。
但是,作为一个喜欢拆解的硬件工程师,我知道事情没有这么简单,做这种消费品的人,他们对成本的压榨永远能刷新你的认知。于是我就本着学习的想法,拆解了一下这个防盗报警器。

看侧面发现这个防盗器是由两片外壳组合在一起的,看起来很严丝合缝,没有一个螺丝。似乎是用超声波焊接或者热熔焊焊接起来的。用手掰了掰,发现外壳有轻微变形之后,这个缝依然是严丝合缝,看来确实是超声波焊接或者热熔焊一类工艺。
所以直接上斜口钳,暴力拆解。结果发现这个壳外强中干,一钳子整开了。

内部非常简单,一个电路板,一个蜂鸣器。电路板也没有通过螺丝固定在外壳上,而是通过外壳内部两道凸起的棱把电路板卡住了。设计是要多简单就多简单啊。
接下来重点看看电路板。使用手机的微距拍一个细节,能看清除继电器外所有的器件丝印,但是我发现一件奇怪的事,没看到DC-DC电路。

其中最上面的柱状器件是震动开关,这玩意,相当于在震动的时候,会产生接触或者断开的效果,对mcu来说类似于一个按键输入。
震动开关下面的SOP14封装的器件,根据丝印找到型号是MC30P6060,是一款高性能、低功耗8位OTP+IO型MCU。其内置RC振荡器、定时器和LVD等电路可广泛用于电动玩具、无线通信、LED照明等领域。

这个器件是上海晟矽微电子股份有限公司的产品,仔细看了一下,发现这个公司是个上市公司,产品中心有很多产品,看起来是定位白色小家电的MCU产品。
MCU下面的SOT23-5的封装,上面的丝印是24C02S,毫无疑问这个是一个eeprom存储器芯片,容量2Kbit,IIC接口,包含256X8bit的存储阵列,8个字节组成一页。这个丝印没找到对应的型号,所以参考了TP24C02S5,在立创商城上一颗的价格是0.3元。

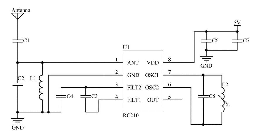
再下面的RC210G是瑞迪联电子出的315-433MHz的超再生接收芯片。该芯片最大数据速率为5Kbit/s,封装为SOP8。该芯片在立创商城上价格是0.58元。典型应用电路如下:

注意,这个图里的L2,就是实物电路板上的那个绿色电感,该电感感值可调。看起来该电感和C5组成了一个选频器的样子。手册中也有说:

主要的器件就是以上四个,其他的就是继电器、二极管、三极管、电阻、电容。但是恰恰这样,却勾起了我的好奇心。
理论上输入电压是48-72V,所以输入要设计为80V以上的输入能力。而板子上有低压IC,一般都是3.3或者5V。常规来说,降压也就DC-DC或者LDO,在压差比较小的时候,一般会选择LDO,但是当压差比较大的时候,LDO的效率就低的一批了,所以从80V到5V这个量级肯定是通过DC-DC实现的啊,但是我在板子上没看到DC-DC芯片和电感。
那么MCU、EEPROM、无线接收芯片是怎么供电的呢?
于是我仔细查看了这个电路,发现了令我震惊的一个电路。

72V的输入电压从红色的线进入PCB,到达二极管A7,经过A7之后到达1206封装的电阻,电阻丝印302,其阻值为30*10^2,即3KΩ,精度5%,经过3kΩ电阻之后,到达三极管G1的3脚,G1丝印的三极管型号为MMBT5551,类型为NPN,3脚为集电极。
测量可知。三极管上面的0805陶瓷电容的左端引脚和无线接收芯片的8脚相连,而这个引脚是芯片的VDD引脚。电容左端同时和MMBT5551的2脚发射极相连。这个网络大概率就是5V或者3.3V的低压网络。
这个时候我们就要看看MMBT5551的1脚是怎么连接的了。查看电路板可知。1脚和3脚通过一个0603封装的120KΩ电阻相连,同时,该网络处连接有一个二极管。其丝印为W9,封装为SOD123,,我们用“二极管 丝印W9”在淘宝简单搜一下就知道,这是一个稳压二极管,型号为BZT52C5V6,其稳压值为5.6V,立创的价格在7分钱左右。这个稳压二极管一端接MMBT5551的1脚,一端接地。于是我们把这个电路复原一下,大概是这样的。

由于在LTSPICE中没找到5.6V的稳压二极管,所以找了一个6.2V的,用来仿真是没问题的。

仿真可以看到,当三极管基极电压是6.09942V时,OUT的电压是6.09938V,效果还不错,现在我们给这个电路加一个负载再进行仿真:

加了一个6k电阻发现OUT电压降低到了5.3V左右,负载电流大概888uA

直接把这个负载电阻改到1k,发现电流可以达到5.28mA,电压也是稳定的5.28V。
实际经过测试,发现当负载电阻阻抗小于400Ω之后,这个电路就不能正常输出5.2V左右的电压了。
其实电路图很直观,通过输出电压就等于稳压二极管的稳压值减去Vbe,原本72V的电压,由3K电阻、三极管、负载三者共同承担,而负载承担的是稳定的5V左右,其他的67V电压是由三极管和3K电阻承担的,所以在实际测试时使用热成像仪观察可知,蜂鸣器响的时候,这个电阻会明显发热。
所以这是一个把72V电压降低到5V的降压电路,但是成本极低,大约1.5毛就可以搞定。这个电路的局限就在于,能输出的电流非常小。超过10mA的连续电流输出,就已经有很高的风险了。
本身从72V这种电压降压到5V的DC-DC就不太多(相比于30V以内的DC-DC器件的数量),而且还不便宜。如果需要的电流很小,而且对成本要求比较高,这或许是一个不错的电路,当然,前提是对可靠性、稳定性的宽容。
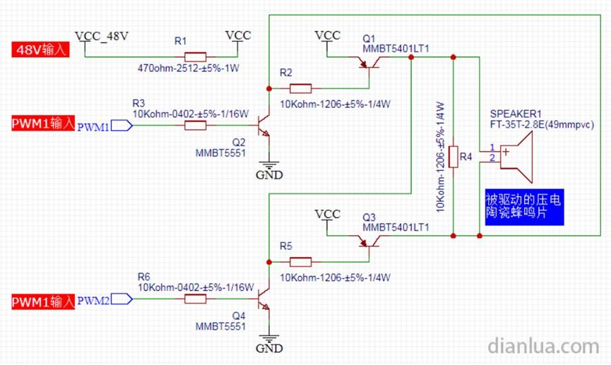
这个板子上另一个值得说道的电路就是这个蜂鸣器驱动电路。

关于这部分,有一个公众号“电路啊”写过,上图也是来自于这个公众号的文章。我直接把链接转在这儿,供大家参考:电动车防盗器喇叭驱动电路
板子上的关键器件列表如下:

拆解这种电子小产品总是能时不时给你一些震撼,会让你发现,原来自己设计的电路还是太贵了,哈哈。大家还有什么想拆解的可以在评论区留言。